客服中心 Facebook 0800-035-568
TOP

產品類別

 *
 *
 *
隱藏式.熱除油式-80CM

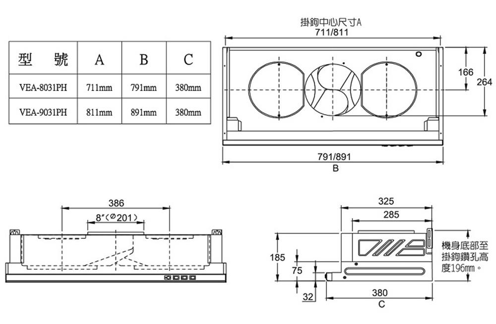
產品型號:VEA-8031PH

建議售價
$ 8700元
隱藏式排油煙機的美麗廚房,超薄隱藏式熱除油設計。 操作easy免加清潔劑,廚房常保清新。 另有90公分款式可供選擇。 商檢登錄字號:R51114

油煙淨空- 雙吸風口,最適合國人炒菜習慣。  

‧摺疊式強化玻璃導流煙板,有助聚攏油煙

.‧隱藏式排油煙機,外型優美打造美麗廚房。

.專利熱除油設計,免加清潔劑(電熱除油.降油味),減少清潔負擔

 


 

 產品規格.配件.色澤如有變更請以實物為標準.本公司保留變更權利

 

產品型號 VEA-8031PH
機身尺寸(mm)
長×寬×高
W791 × D380 × H185
電壓頻率 (V/ HZ) 110V/60Hz
耗電量(w) 240w
機身重量(kg) 13.5
機身材質 外殼-粉體烤漆

 

檔案名稱 點此下載